海灣GST-LD-8361H輸入/輸出模塊
取代原產品 GST-LD-8361輸入輸出模塊
尺寸從原來的 86mm×86mm×43mm 變?yōu)榱?span style="color: rgb(255, 0, 0);"> 86mm×86mm×41mm
新老產品的使用特性基本一致,并且可以混用。但請注意新型號無法與老型號混合在GST200控制器中一起使用。
1.新產品僅替代相應舊模塊類的標準產品;
2.新產品整體尺寸略有縮小,但不影響功能及使用;
3.新產品仍然不適用任何防爆、本安產品,防爆、本安產品購買方式與以往無異;
4.新產品仍然不適用任何船用產品,船用產品購買方式與以往無異;
5.新的模塊產品依然保持了舊款產品的品質和性能參數,且拆裝更為便捷。
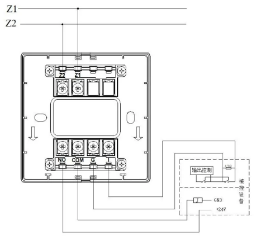
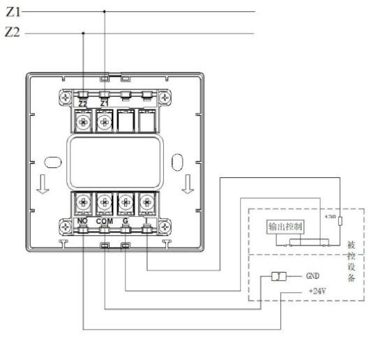
海灣GST-LD-8361H輸入輸出模塊接線圖
輸出控制電壓由被控設備提供,模塊與被控制設備的接線示意圖如圖①、圖②所示(圖①為常開輸入檢線,圖②為常閉輸入檢線)。

圖① 常開輸入檢線

圖② 常閉輸入檢線